
SDI5229BQN压力变送器智能板,通过定制的高集成度SoC系统级处理器,精确采集压力传感器的电压信号,高精度转换成标准的模拟DC4~20mA电流信号远传,并稳定显示测量值。可定制modbus通讯,是集成了压力测量、模拟量变送输出和现场显示为一体的高精密产品。
● 智能化菜单,界面简单,让生产更轻松更高效。
● 系统级处理器,让产品更稳定,更可靠。
● 0.45mA高稳定低温漂恒流源输出供扩散硅压力传感器使用。
● 更有恒压源输出供陶瓷压力传感器使用。
● 最多11点标定,完美线性化,让产品精度更高。
● SPN参数多量程选择,支持±15mV~±500mV宽范围输入。
● 任意设置变送输出范围,方便现场修改变送器输出范围。
工作电源:DC12~30V (推荐24V)
测量精度:±0.2%FS±1字
整机功耗:≤3.85mA
信号范围:DC 0~500mV(特殊信号可定制)
输出信号:二线制4-20mA (24V时,带载能力500Ω)。
(电压输出0~10V,0~5V,1~5V可定制)
采样速率:5次/秒
显示范围:-1999~9999
显示方式:4种显示方式可供选择
温度漂移:60PPm/℃
工作温度:-10~50℃
相对湿度:≤85%RH,无强腐蚀性气体
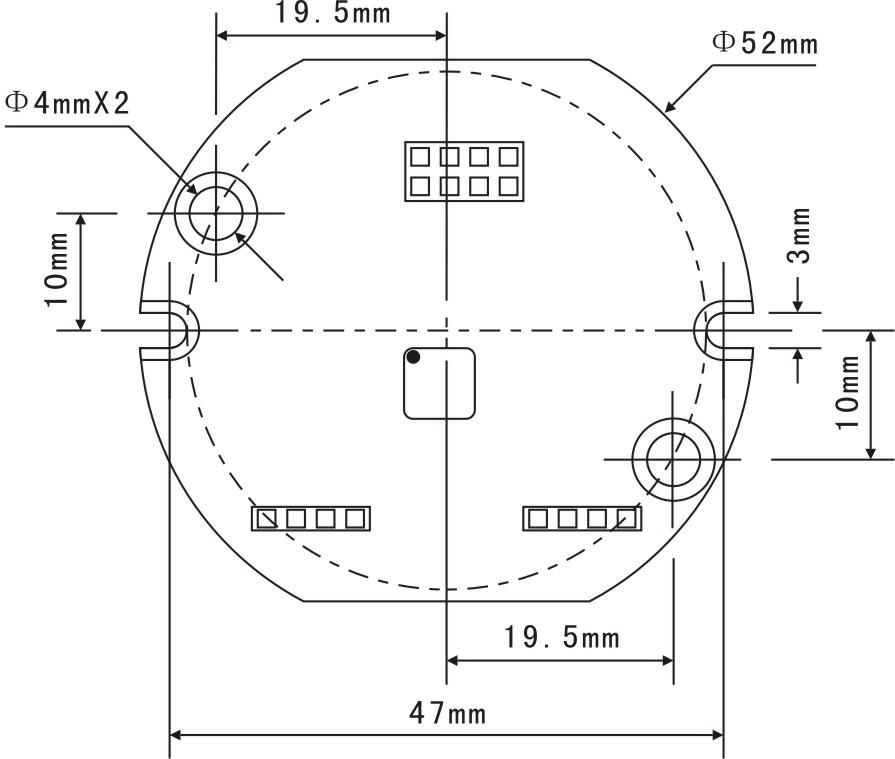
外形尺寸:54x54x26
1.面板说明
2.PCB图
